Energy and cost savings by retrofitting a state-of-the-art dry grinding separator system in a cement plant
One of Cemtec’s strengths is retrofitting existing plants with state-of-the-art equipment. Since the early seventies modern air classifiers are applied to perform cement grinding in closed circuit. The following article outlines a case study of an air classifier retrofit project for Sebald Zement GmbH, which Cemtec planned in 2019 and commissioned in the first quarter of 2020.
Cemtec Cement and Mining Technology GmbH is a leading manufacturer of dry and wet mills for the cement and mining industry with over 30 years of experience located in Enns/Austria. Its portfolio spans from single machines, spare parts and engineering services to the erection and commissioning of turnkey projects in the cement, mining and recycling industry. One of Cemtec’s strengths is retrofitting existing plants with state-of-the-art equipment. Since the early seventies modern air classifiers are applied to perform cement grinding in closed circuit. The first separators in that field of application (1st generation classifiers, see Figure 1) were characterised by one single motor driving both an air fan and the separator wheel. While those classifiers were quite compact in terms of footprint the separation efficiency was poor.
Project description
Cemtec was awarded a contract for the replacement of the dynamic separator in a cement grinding plant in Germany with a modern third generation separator (Cemtec CTC-0075). Included in the scope was the dismantling of the old separator, adapting the existing separator building and equipment, and installation of new equipment. As an experienced producer of turnkey plants, Cemtec is used to challenging projects and was able to create a compelling offer for this highly competitive project.
Cemtec guaranteed a significant reduction of the fines in the reject stream of the separator and therefore a reduction of specific energy input based on data provided by the customer Sebald Zement. With the replacement, the customer also had the option to expand the product portfolio to include higher cement qualities, which could not be produced with the existing separator due to restrictions in cut size. The Cemtec CTC series is able to achieve cut sizes down to 16 µm (98% passing) and therefore ideally suited for this task.
Proposed solution and specific challenges
The existing cement mill with the dimension ø 2.8 x 13.75 m is equipped with two chambers and has an installed power of 1500 kW. In 1975 the mill was equipped with a Polysius first generation separator.
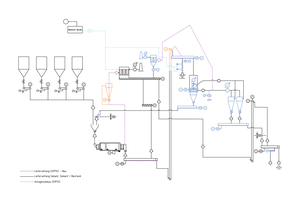
Based on the data provided by Sebald Zement during the offer phase it was decided to replace the existing separator with a 75000 m³/h Cemtec CTC-0075. The new separator would be used in a closed air circuit with two dedusting cyclones, which remove the main part of the finished product from the separator air stream. 10% of the nominal separator air flow is dedusted via a bag house filter to remove the finest particles. Together with the product of the existing mill dedusting system, the cyclone and the filter products comprised the finished cement, which is transported to the cement storage via existing equipment. Figure 3 shows the flowsheet of the complete cement grinding line, with new and modified equipment shown in blue and orange.
Detail engineering started in May 2019 directly after signing the contract to prepare everything for the planned shutdown at the start of 2020. With the replacement of the existing separator the customer also decided to replace the reject belt conveyor from the separator to the mill inlet with an air slide, as the conveyor was a source of heavy dust emission. To achieve the necessary height difference for the operation of the air slide the new separator and the roof had to be raised compared to the old layout. This resulted in the necessity to lengthen the existing 45 years old bucket elevator to reach the feed height of the separator. In addition to the changes mentioned above, the cyclone in the mill dedusting system was removed so as to accommodate the new filter for the air separator. To monitor the circulating load in an accurate way a slide scale was installed at the discharge of reject air slide.
The specific challenges with this project lay within the short time frame for the engineering tasks, the limited space at the construction site due to the historically grown plant structure, the immediate vicinity of the train tracks and the limited time window for the execution of the works. Project staff needed to consider all the subjects above to guarantee a smooth and timely execution. Cemtec finished engineering on time in September of 2019 despite the complexity of the project and some additional difficulties due to incomplete documentation of the old equipment. All equipment was sourced at renowned suppliers from Europe in accordance with the customer’s specifications and quality requirements.
Sampling and initial process conditions
The operating conditions of cement mill 3 were mostly known because of data the customer already provided during the offer phase and previous site visits of Cemtec engineers. To get a more comprehensive picture and a basis for the comparisons, Cemtec conducted a detailed joint investigation in November of 2019. This included sampling of the grinding plant while concurrently recording the operating parameters and measurement values of the plant. During the on-site period at the start of November 2019 mill outlet, separator fines, separator coarse, filter dust and the finished product were sampled for two different cement qualities. Additionally the raw materials clinker, limestone and gypsum were sampled to have a complete picture of the grinding line.
The analysis of the samples was conducted by Cemtec’s in-house laboratory, a detailed report created and provided to the customer. All samples were analysed for their particle size distributions and the finished cement also for its specific surface area (by Blaine method). The results of the test work showed high by-pass ratios for both currently produced cement qualities and consequently high optimisation potential. Figure 4 shows the resulting partition curve for one cement quality. The test results were used to confirm the process guarantee values, which were afterwards used for comparing the grinding plant performance before and after replacement of the separator.
Realisation and work progress
The works in the plant started as planned at the beginning of the year 2020 with the dismantling of the old mill dedusting cyclone and the removal of the reject belt conveyor and cladding of the old separator building. All works were performed by erection company AGIS which is a subsidiary of Cemtec. After removal of the old cyclone and its piping the new dedusting piping from the mill discharge to the filter was installed. At the end of January most of the dismantling was finished and the construction of the new steel structure could commence. At the same time the assembly of the filter for the separator air circuit took place inside the mill building. For all these works three teams with at least three persons each were on site.
In the first week of February the new mill dedusting piping and the filter were finished. Additionally the steel structure and walkway for the air slide neared completion. During the second week of February most of the reject air slide was installed and the new buildings steel structure was starting to take shape. The process fan had also been put into place on the ground floor of the separator building. At the end of the third week of February nearly the complete steel structure and platforms had been finished. During the last week the cyclones and the separator were installed and in parallel the structure for the process piping installed on the outside of the new separator building. Also the heightening of bucket elevator could be completed at the end of February.
During the first week of March the reject air slide and slide scale were completed and small auxiliary equipment like fans and pendulum flaps installed. Installation work on the process piping, steel structure and platforms finished as well. One week later the process piping joints were welded shut and more auxiliary equipment installed. The second week of March also saw the start of cabling by the customer’s electricians in parallel to the mechanical work. In the third week of March, commissioning started with signal checks and start of first equipment, in parallel to further electrical work.
The erection could be finished with the completed installation of the separator feed system. The last week of March was used to finish the mechanical works with painting and cabling. The commissioning of the remaining equipment took until 10.04.2020 and was completed only two weeks after the planned date despite the start of the Covid 19 pandemic in the middle of the construction period.
Results and summary
In May of 2020, after some time to optimize and gain experience with the new plant, another sampling campaign showed that all guarantee values have been met. Figure 7 shows a comparison between the finished cement product before and after replacement of the separator. As the diagram shows, the steepness of particle size distribution increased significantly.
In Figure 8 the partition curve for one cement type can be seen. The reduction of the global by-pass is clearly visible and nearly zero.
The replacement of the separator increased throughput by approximately 5% for one cement type and 12.5% for the second type, specific energy consumption accordingly decreased by 5.5% and 14%. All this was achieved at slightly higher Blaine values, so the effect would even be bigger at the comparable Blaine values.
Sichtergestaltung. ZKG International 38 (1985) 1, p. 22-27
