Process and device for separating off a volatile component
(22) 05.03.2018
(43) 12.07.2018
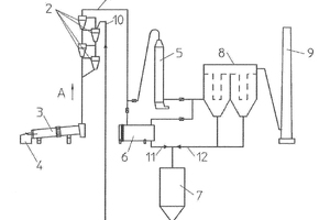
(57) A process and device separate off a volatile component from the off-gases in cement clinker production. Raw materials for cement clinker production are passed through a preheater with heat exchange with the off-gases and are then burnt in a rotary kiln. Owing to the heating in the preheater, the volatile component bound in the raw materials is vaporized and separated off. A first raw material stream having a relatively high concentration of the volatile component is applied to a first line of the preheater and a second raw material stream having a lower concentration of the volatile component is applied to a second line. The volatile component is separated off from the first substream of the off-gases. The first raw material stream heated to a temperature of at least 250° C. with the first substream of the off gases in the first line is combined with the second raw material stream.
(71) Scheuch GmbH, Aurolzmünster (AT); W & P Zement GmbH, Klein St. Paul (AT); A TEC Holding GmbH, Kerms (AT)
