测试详情页广告位2

Latest waste heat utilization trends in ­cement plants

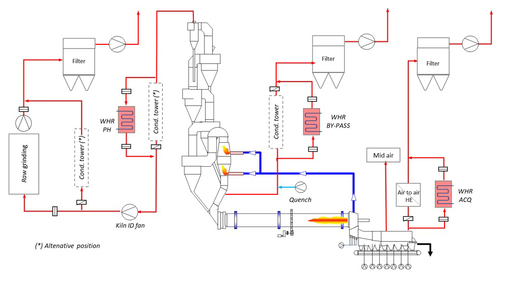
Over the last two to three years there has been a distinct rise in the use of non-conventional waste heat recovery systems (WHR). One reason for this is the increasing competitiveness of these technologies due to the larger number of references and experience with the systems.

The number of installed systems for generating electrical power from waste heat has increased worldwide from 525 in 2009 to 865 in 2012. The number of non-conventional processes has also risen noticeably. However, most users are still giving preference to the conventional steam turbine systems. This market report focuses on the technical parameters, because these are often misjudged. In addition, the market development is described with an outline of the WHR systems currently in operation, and three case histories are introduced.

1 Introduction

In recent years, power generation from waste heat...

Related articles:

Issue 04/2024 KR 20240053196 A

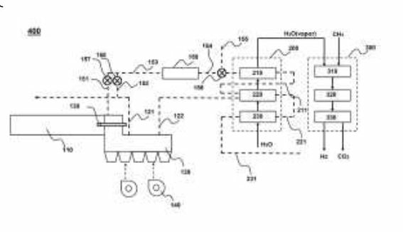
Hydrogen production system using waste heat of cement clinker production process

(22) 17.10.2022(43) 24.04.2024 (57) The present invention relates to a hydrogen production system. More specifically, it relates to a hydrogen production system using waste heat generated in the...

more
Issue 10/2020 CTP TEAM S.R.L.

WHR technology: new horizons and industrial applications

Nowadays the technologies available especially for dust filtration are applicable in a temperature range lower than the temperature of exhaust gases. WHR is a valid technology to “extract” heat from ...

more
Issue 4/2023 WO 2023/035197 A1

System and method for preparing sulphoaluminate cement by drying sludge via solar heat storage

(22) 09.09.2021(43) 16.03.2023(57) A system and method for preparing sulphoaluminate cement by drying sludge via solar heat storage. The system comprises: a solar concentrator that is sequentially...

more
×