Method for producing cement clinker by admixing carbide lime
(22) 31.05.2021
(43) 08.12.2022
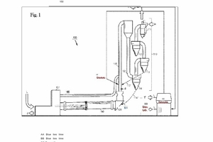
(57) The invention relates to a method for producing cement clinker, comprising the following method steps: preheating lime- and silicate-containing raw meal in a preheater, deacidifying the preheated raw meal in a calciner, sintering the deacidified raw meal in a rotary kiln, quenching the raw meal that has been sintered to cement clinker in a cooler, wherein the preheated raw meal is fed into the foot of the calciner, where the raw meal is suspended in the updraft of the exhaust gases flowing out from the rotary kiln into the calciner. According to the invention, it is provided to charge carbide lime into the foot of the catchier (115) as a substitution for raw meal.
(71) KHD Humboldt WEDAG GMBH, 51149 Köln (DE)
(84) ARIPO (BW, GII, GM, KE, LR, LS, MW, MZ, NA, RW, SD, SL, ST, SZ, TZ, UG, ZM, ZW), Eurasian (AM, AZ, BY, KG, KZ, RU, TJ, TM), European (AL, AT, BE, BG, CH, CY, CZ, DE, DK, EE, ES, FI, FR, GB, GR, IIR, IIU, 1E, IS, IT, LT, LU, LV. MC, MK, MT, NL, NO, PL, PT. RO, RS, SE, SI, SK, SM, TR), OAPI (BF, BJ, CF, CG, CI, CM, GA, GN, GQ, GW, KM, ML, MR, NE, SN, TD, TG)
