Effect of styrene-acrylic latex on physical-mechanical properties and microstructure of sulphoaluminate cement paste
The influences of styrene-acrylic latex on setting time, compressive strength, drying shrinkage, mass loss, resistivity and internal temperature of sulphoaluminate cement (SAC) paste were investigated, and the hydration products and microstructure at 6 h and 28 d were analyzed by XRD, FTIR and SEM. Results show that the setting time of SAC paste decreases first and then increases with the increase of styrene-acrylic latex content, while the compressive strength, the drying shrinkage and mass loss of SAC paste gradually decrease with the increase of styrene-acrylic latex. The addition of styrene-acrylic latex decreases the initial resistivity and peak value of the internal temperature of SAC paste, but increases the resistivity later than 22 h. Microscopic analysis shows that styrene-acrylic latex could inhibit the hydration of SAC paste at 6 h and 28 d, which resulted in the formation of less hydration products.
1. Introduction
The damage of the building structure not only affects its normal use, but also has a large safety hazard. If the damaged area is not repaired in time, it will further develop, and eventually lead to the scrapping of the building and even lead to safety accidents [1, 2]. Polymer, as a common modification material of cement mortar, can improve the corrosion resistance, bonding performance and impermeability of cement mortar, so it is an excellent repair material modifier [3-5]. Styrene-acrylic latex has been widely used in cement-based materials because of its advantages such as low price, non-toxic side effects, little pollution, good versatility and applicability, and outstanding film forming and bonding properties [6-8].
At present, most studies on styrene-acrylic latex modified cement-based materials are aimed at Portland cement. However, due to the slow hydration of Portland cement, the early mechanical properties of polymer modified cement-based materials are poor, which cannot meet the requirements of early strength in some repair projects [9, 10]. Therefore, the application of traditional styrene-acrylic latex modified mortar in rapid repair projects is limited. Different from Portland cement, sulfoaluminate cement (SAC) has excellent properties such as fast hardening, high strength, frost resistance, impermeability, corrosion resistance and low alkalinity, owning considerable development and application prospects [11-13]. However, there are relatively few researches on the properties of SAC-based materials modified by styrene-acrylic latex, especially on the strength below 1 d. In order to expand its application field, it is particularly important to study the properties and mechanism of styrene-acrylic latex modified rapid cement-based repair materials.
Based on this, this paper measured the compressive strength, setting time, drying shrinkage, mass loss, resistivity and internal temperature of SAC paste modified with different dosage of styrene-acrylic latex, and combined with X-ray diffraction, Fourier infrared spectroscopy, scanning electron microscopy and other characterization methods to study the effect of styrene-acrylic latex on the hydration microstructure of SAC paste. The results can provide some theoretical guidance for the application of polymer in SAC based materials.
2. Experiment
2.1 Raw materials
Grade 42.5 rapid harding sulfoaluminate cement with specific surface area of 440 m2/kg was used and its particle size distribution and chemical composition are shown in Figure 1 and Table 1, respectively. The solid content of polycarboxylate superplasticizer (PCE) used to adjust the fluidity of polymer modified SAC-based materials is 40%. Styrene-acrylic latex powder was used as the polymer modifier in the experiment, which solid content is more than 98%, the packing density is 510 g/L, and the lowest film forming temperature is about 10 °C. The mixing water used for the sample is tap water, and meets the relevant requirements in JGJ 63-2006[14].
2.2 Sample preparation
As shown in Table 2, the water-cement ratio of the sample is 0.3, and the dosage of styrene-acrylic latex powder is 2%, 4%, 6% and 8% of the mass of SAC. PCE was used to control the fluidity of the paste to (200±20) mm. Compressive strength test was performed with 40 mm × 40 mm × 40 mm hardened pastes, which were cured in a standard chamber with a temperature of (20±1) °C and relative humidity > 90%. After the strength test was completed, the middle part of the pastes was soaked in alcohol for 3 d to terminate hydration, and then dried to constant weight at 40 °C, part of them was ground into powder for the XRD and FTIR test, and the others were made into a block for the SEM test.
2.3 Test procedure
2.3.1 Setting time
The initial and final setting time of each sample was determined according to GB/T 1346-2011 [15] and the mix proportion of samples is shown in Table 2.
2.3.2 Compressive strength
The compressive strength of the cement paste at 6 h, 1 d, 3 d and 28 d was tested according to GB/T 17671-2021 [16]. In order to eliminate as much error as possible, six specimens were tested for each mix, and the average is the result.
2.3.3 Drying shrinkage and mass loss
SAC pastes were prepared according to the mix ratio in Table 2, and then the pastes were placed in the mold of 25 mm×25 mm×280 mm. After forming for 24 h, the reference length L0 and the reference mass m0 of the samples were measured by the specific length instrument. Next, the pastes were moved to the drying chamber with the temperature of (20±3) °C and the relative humidity of (50±4) %. After moving into the drying chamber, the length Lt and mass mt of the samples at 1 d, 3 d, 7 d, 14 d, 21 d, 28 d, 45 d, 60 d and 90 d were tested respectively. The drying shrinkage rate (St) and mass loss rate (Mt) of the sample at each age can be calculated according to Formula (1) and (2).
⇥(1)
⇥(2)
2.3.4 Resistivity and internal temperature
The resistivity of polymer modified CSA paste for 24 h was continuously monitored by a CCR-3 electrodeless resistivity meter. SAC paste prepared according to the mix ratio in Table 2 was poured into the ring mold at a constant speed, and slightly vibrated to eliminate bubbles to obtain the resistivity test specimen. During the test, the ring transparent plate was covered on the ring mold to avoid water loss. At the same time, a digital display temperature sensor probe was embedded into the polymer modified SAC paste to monitor its temperature change for 24 h.
2.3.5 XRD analysis
A Bruker D8 Advance X-ray diffractometer was used to analyze the phase of SAC paste and 2-theta is ranged from 10° to 50°.
2.3.6 FTIR analysis
The chemical bonds and functional groups of cement paste were analyzed by the Nicolet iS50 infrared spectrometer and the wave number is ranged from 4000 cm-1 to 400 cm-1.
2.3.7 SEM analysis
JSM-6610 electronic scanning electron microscopy (SEM) was used to observe the morphology of the samples in vacuum with the acceleration voltage of 20 KV and the working distance of about 20 mm.
3. Results and discussion
3.1 Setting time
Figure 2 shows the influence of different dosage of styrene-acrylic latex on the setting time of SAC paste.
As can be seen from Figure 2, the setting time of SAC paste is closely related to the dosage of styrene-acrylic latex. When no polymer is added, the initial and final setting times are 114 min and 129 min, respectively. When the content of styrene-acrylic latex is 2%, the initial and final setting times are shortened sharply, which are 88 min and 111 min respectively. With the increase of styrene-acrylic latex content, the initial and final setting times are prolonged. When the styrene-acrylic latex content is more than 6%, the initial and final setting times of the sample are longer than those of the reference sample.
The influence of styrene-acrylic latex on the setting time of SAC paste is mainly reflected in two aspects. On the one hand, the polymer emulsion has an adsorption effect, which can increase the cohesion of SAC paste at early age, resulting in faster loss of liquidity, and thus a shortened initial setting time. In addition, a large number of carboxyl groups in polymer emulsion can promote SAC hydration and AFt production, thus greatly shortening the final setting time [17, 18]. On the other hand, the polymer particles can be adsorbed on the surface of unhydrated SAC particles, hindering the hydration of SAC, and thus delaying the precipitation time of hydration products and increasing the initial and final setting times of SAC paste. After adding 2% polymer into SAC paste, the initial and final setting times are shortened, mainly because of the former action. When styrene-acrylic latex content increases from 2% to 8%, the initial and final setting times gradually increase, mainly because of the latter effect.
3.2 Compressive strength
The influence of different dosage of styrene-acrylic latex on the compressive strength of SAC paste is shown in Figure 3.
Figure 3 shows that the incorporation of styrene-acrylic latex can reduce the compressive strength of SAC paste at each age, and the greater the styrene-acrylic latex dosage, the more obvious the reduction. The decreasing effect of styrene-acrylic latex on the early strength of SAC is mainly due to the fact that the hydration of SAC is hindered and delayed by polymer particles or membranes formed by their polymerization. After curing for 28 d, the hydration reaction is basically completed and styrene-acrylic latex is formed into a continuous film from the original granular form, while part of the styrene-acrylic latex is broken through by hydration products. Polymer film and hydration products interweave with each other to form a spatial network structure and because the elastic modulus of polymer is lower than that of hydration products, the film formed by a large number of polymer powder particles cannot provide rigid support when compressive stress is applied [19], resulting in a decrease in compressive strength compared with the control sample, and the greater the dosage, the greater the decrease in strength [20].
3.3 Drying shrinkage rate
The influence of different dosage of styrene-acrylic latex on drying shrinkage rate of SAC paste is shown in Figure 4.
As shown in Figure 4, the addition of styrene-acrylic latex can significantly reduce the drying shrinkage rate of SAC paste, and the more styrene-acrylic latex content, the more obvious the drying shrinkage rate decline. Specifically, the addition of 2% and 8% styrene-acrylic latex can reduce the drying shrinkage rate of the paste at 1 d by 16.7% and 38.6%, respectively; 28 d by 14.7% and 24.1%, respectively; 90 d by 10.0% and 16.8%, respectively. This is because the incorporation of styrene-acrylic latex plays a role in filling pores, effectively reducing the porosity of SAC paste and improving its compactness. Meanwhile, the polymer film formed by styrene-acrylic latex condensation runs through the paste system, like a “gate” cutting off the capillary channel and blocking the connection between the inside and outside of the paste, which effectively reduces the shrinkage caused by evaporation of water and carbonization shrinkage caused by the reaction of carbon dioxide in the air with the hydration products [21, 22].
3.4 Mass loss rate
The influence of different dosage of styrene-acrylic latex on mass loss rate of SAC paste is shown in Figure 5.
As shown in Figure 5, the addition of styrene-acrylic latex significantly reduces the mass loss rate of SAC paste, and the more styrene-acrylic latex content, the more significant the decline in mass loss rate. For instance, the addition of 2% and 8% styrene-acrylic latex can reduce the mass loss rate of the paste at 1 d by 4.4% and 30.9%, respectively; 28 d by 2.6% and 17.1%, respectively; 90 d by 4.2% and 18.6%, respectively. Meanwhile, combined with Figure 4, it can be seen that mass loss of polymer modified SAC paste has a strong correlation with drying shrinkage. This is mainly because with the increase of age, the adsorptive water in the paste overflows, and in this process, the mass loss of the paste is mainly caused by the water evaporation. As is well-known, styrene-acrylic latex particles can fill the pores, and at the same time styrene-acrylic emulsion loses water and condenses into a film to adhere to the cement particles, so that the connected pores of the paste and the evaporation loss of water are reduced, thus decreasing the drying shrinkage of the SAC paste [23].
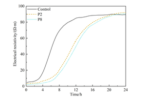
3.5 Resistivity
The cement resistivity mainly depends on the liquid phase ion concentration and porosity, and is proportional to the liquid phase ion concentration, and inversely proportional to the porosity, which can be used to characterize the speed of the cement hydration reaction and process [24]. The effect of different dosage of styrene-acrylic latex on the resistivity of SAC paste is shown Figure 6.
As shown in Figure 6, the initial resistivity of SAC paste with styrene-acrylic latex is lower than that of the reference sample, but 22 h later the resistivity of paste with styrene-acrylic latex is higher than that of the reference sample. This is because the initial hydration of SAC is obstructed by styrene-acrylic latex particles and their membrane polymerization, resulting in higher ion concentration and lower resistivity in SAC paste than that of the reference sample. With the extension of age, styrene-acrylic latex particles and their polymerization film adhere to or fill in the surface of hydration products and its gaps, and the solid phase porosity of SAC paste decreases, making its resistivity increase.
3.6 Internal temperature
The internal temperature monitoring of SAC pastes and their resistivity experiments were carried out simultaneously. When styrene-acrylic latex was mixed with different dosage, the internal temperature change rule of SAC paste is shown in Figure 7.
As can be seen from Figure 7, after the addition of styrene-acrylic latex, the time point of internal temperature rise of SAC paste is advanced, but the peak value of its internal temperature curve is lower than that of the reference sample, and the internal temperature of the sample with 2% styrene-acrylic latex is higher than that with 8% styrene-acrylic latex. This may be because styrene-acrylic latex particles and their polymerized films adhere to or fill the gaps between cement particles and hydration products, hindering and delaying the hydration reaction, and the larger the dosage, the more significant the delay effect.
3.7 XRD analysis
The hydration products of samples C0, P2 and P8 at 6 h and 28 d were compared and analyzed by XRD and the results are shown in Figure 8.
Figure 8 shows that the main phases of hardened SAC paste at different ages are ettringite (AFt), anhydrous calcium sulphoaluminate (C4A3S), dicalcium silicate (β-C2S), calcium carbonate (CaCO3) and gypsum (CaSO4∙2H2O). There are no diffraction peaks significantly different from the Control sample found in P2 and P8, indicating that the incorporation of styrene-acrylic latex would not change the type of hydration products in SAC paste basically.
From Figure 8 (a), it can be seen that the order of diffraction peak values of C4A3S, β-C2S and CaSO4∙2H2O in Control, P2 and P8 samples at 6 h is P8>P2>Control. However, AFt (2θ=31.1 °) diffraction peak in P8 sample is lower than that in the P2 sample, and far lower than that in the Control sample, indicating that the higher the styrene-acrylic latex content, the more delayed the hydration rate of the paste, and the more decreased the AFt production. From Figure 8 (b), it is clear that the characteristic peaks of C4A3S, β-C2S and CaSO4∙2H2O in these three samples cured for 28 d have the same trend: lowest intensity peaks in the Control sample while highest in the P8 sample, showing that at 28 d, the hydration of SAC paste without polymer is more adequate, and the more polymer content, the more obvious the effect of blocking SAC hydration. These are consistent with the trend that the compressive strength of SAC paste decreases gradually with the increase of polymer content at 6 h and 28 d.
3.8 FTIR analysis
In order to study the influence of styrene-acrylic latex on the hydration phase of SAC paste, FTIR was used to compare and analyze the products of Control, P2 and P8 samples at 6 h and 28 d, and the results are shown in Figure 9.
Figure 9 shows that at 6 h and 28 d, C-H bond vibration peaks and benzene ring absorption peaks related to polymer appear near 1380 cm-1 and 1602 cm-1 in P2 and P8 samples. Moreover, due to the AFt formation, OH- strong absorption peaks near 3440 cm-1 related to bound water, S-O vibration peaks near 1110 cm-1 and 616 cm-1 and Al-OH vibration peaks near 782 cm-1 and 876 cm-1 can be observed in Control, P2 and P8 samples [25]. The OH- vibration peak is significantly weakened after the addition of styrene-acrylic latex, mainly because a large number of polymer particles polymerized into films and adsorbed on the surface of clinker, preventing SAC from participating in hydration reaction, and the more polymer content, the more significant the obstruction effect. At 6 h, the Si-O vibration peak near 520 cm-1 associated with β-C2S and S-O vibration peak near 637 cm-1 associated with C4A3S are appeared and it can be seen that the vibration peaks of Si-O and S-O are enhanced with the addition of styrene-acrylic latex, indicating that the hydration degree of cement clinker decreases after the incorporation of styrene-acrylic latex. All of these are consistent with the XRD results.
3.9 SEM analysis
In order to further verify and explore the influence of polymer on hydration products and morphology changes of SAC paste, the micromorphologies of Control, P2 and P8 samples were compared and analyzed by SEM, and the results are shown in Figure 10.
As can be seen from Figure 10 (a), (c) and (e), at 6 h, a small amount of agglomerate material can be seen in the Control sample, and there are many pores. In addition, the connections between pores are rather little, hydration products combine with each other are quite dispersed, and the surface shows crisscrossing micro-cracks. When 2% styrene-acrylic latex is added, the connections between hydration products of AFt became looser. When 8% styrene-acrylic latex is added, there are more pores created. These are consistent with the results of strength, XRD and FTIR tests.
From Figure 10 (b), (d) and (f), it can be seen that compared with samples at 6 h, the hydration degree of Control samples at 28 d is more complete, and pores and micro-fractures almost disappear. For sample with 2% styrene-acrylic latex, granular polymer can be seen attached to the surface of SAC particles and hydration products, or filled in the gaps between hydration products. For sample with 8% styrene-acrylic latex, it can be seen that uniform membranes are attached between hydration products AFt to form a continuous three-dimensional network structure and the two intertwine and connect to form a whole, with better internal structure integrity. However, the cementation of polymer network can delay the hydration process of SAC paste, which is the reason why the compressive strength of SAC decreases gradually with the increase of SAE content at 28 d.
4. Conclusion
1. The incorporation of styrene-acrylic latex has an inhibitory effect on the development of compressive strength at each age, and within the range of 0%~8%, the larger the dosage, the more obvious the inhibition effect is.
2. The setting time of SAC paste decreases first and then increases with the increase of styrene-acrylic latex content. The setting time of SAC paste with 2% and 4% styrene-acrylic latex is lower than that of the Control sample, and the paste with 2% and 4% styrene-acrylic latex is higher than that of the Control sample.
3. The drying shrinkage and mass loss of SAC paste decrease with the increase of styrene-acrylic latex content. The initial resistivity of SAC paste decreases gradually with the increase of styrene-acrylic latex incorporation, but 22 h later the resistivity of paste with styrene-acrylic latex is higher than that of Control sample. The peak value of the internal temperature of SAC paste decreases with the increase of styrene-acrylic latex incorporation.
4. The microcosmic tests show that the addition of styrene-acrylic latex inhibits the hydration of SAC paste at 6 h and 28 d, and hydration products are reduced compared with the Control samples. According to SEM results, styrene-acrylic latex affects the physical and mechanical properties of SAC mainly through its adsorption, filling and film forming effects.
5. Acknowledgement
Financial support from “The 14th Five Year plan” Hubei Provincial advantaged characteristic disciplines (groups) project of Wuhan University of Science and Technology (2023D0503) and the State Key Laboratory of Silicate Materials for Architectures (Wuhan University of Technology) (SYSJJ2022-20) are gratefully acknowledged.
