Structural parameters and properties of fine-grained concrete on Portland cement, activated with plasticizers in vortex layer apparatuses
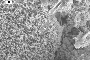
This article presents data on the effect of Portland cement treatment in a vortex layer apparatus. The treatment of Portland cement in a vortex layer apparatus provides an increase in the strength of both cement stone and fine-grained concrete. A synergistic effect in increasing the strength is observed when processing compositions consisting of Portland cement and plasticizer in a vortex layer apparatus. The revealed increase in strength correlates with changes in the structural parameters of the cement stone and demonstrates the activation of Portland cement, associated not only with the geometric factor (increase in specific surface area), but also with a change in the structure of the surface layer of Portland cement particles.
1 Introduction
At present, the specific fuel costs per ton of cement clinker produced in the Russian Federation count among the highest in the world (about 120 kW/h). The fuel costs are determinative of the high price of cement clinker [1]. However, the building and technical properties of Portland cement remain largely unimproved.
One of the current issues of modern construction is to increase the strength of all types of concrete while reducing the consumption of Portland cement. There is a worldwide tendency to switch to a high-strength type of concrete called “High Performance Concrete (НРС)...
