Effect of ball load and size distribution on grinding and classification performance
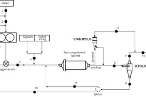
An industrial test work was performed to analyse the effect of applying a lower ball load and a finer ball size distribution in the second compartment of a KHD Humboldt Wedag® ball mill on grinding and classification performance of a hybrid high pressure grinding roll (HPGR)/multi-compartment ball mill cement grinding circuit. Mass balance of the circuit was done by JKSimMet Steady State Mineral Processing Simulator. Specific discharge and breakage rate functions were estimated by using a perfect mixing modeling approach [1]. The performance of the dynamic air separator was determined by using an efficiency curve approach [2].
1 Introduction
Ball mills are known to be the highest energy consumers in cement grinding circuits. Inefficient grinding conditions prevail especially in the second compartments of multi-compartment cement grinding ball mills. Thus, energy efficient grinding mills such as high pressure grinding rolls (HPGRs), vertical roller mills (VRMs) and Horomill® etc. are introduced and integrated to the cement grinding circuits to reduce the specific energy consumption of cement grinding. HPGRs are usually used as pre-crushers ahead of ball mills in different configurations [3] to reduce the size of the...
