Measurement of the velocity ratio of solids and gas in vertical pneumatic conveyor lines
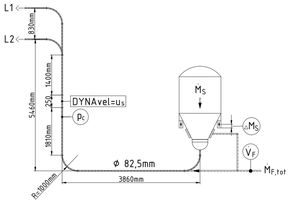
This report describes systematic measurements of the velocity ratio C = uS/uF in a vertical pneumatic conveyor line. Two limestone fractions of the same base material were analysed, which had mean particle diameters of dS,50 = 13,2 μm and dS,50 = 9638 μm. During the measurements, the load μ was varied in different test series, which were carried out with approximately constant delivery pressure/length unit (∆pR ⁄ (∆LR), from very small to values of μ ≅ 125 kgS ⁄ kgF. As the load μ increases, the solids/gas velocity ratio rises as expected and progresses asymptotically towards the limit value C = 1. The solids velocity uS was determined by means of a capacitive transit time measurement using cross-correlation of the measurement signals. From the measurements with the fine-grained limestone powder, the settling velocities wT,ε of the particle clouds forming in the vertical conveyor section can be back calculated. These show some special characteristics that are insufficiently considered/covered by the wT,ε-calculation equations proposed in the literature. Although the different flow forms that obviously occur in the measuring section are recorded numerically by the measuring method used, they cannot be assigned to a defined flow formation.
1 Introduction
To calculate the pressure loss, respectively to dimension the different sections of a pneumatic conveying line, the local ratio of the velocities of solid and conveying gas, C = uS ⁄ uF ≤ 1, is always required [1,2]. This ratio changes in the course of the conveying path. Measurements [3] of the C values of a fine-grained and a coarse-grained bulk material in vertical pipe sections up to the range of very high loads μ = ṀS ⁄ ṀF are reported below. Given a steady state flow at the measuring point, the settling velocities wT,ε of particle clouds can then be back-calculated from...
