Method for manufacturing cement
(22) 04.12.2015
(43) 18.10.2017
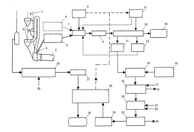
(57) Summary of the corresponding patent WO2016091740 (A1): A method of expanding expandable polymeric microspheres including contacting an aqueous slurry including unexpanded, expandable polymeric microspheres with heat in-situ during manufacture of cement. A method of manufacturing cement includes: (i) contacting an aqueous slurry of unexpanded, expandable polymeric microspheres with heat proximate to and/or during said manufacturing of cement to create expanded polymeric microspheres; (ii) optionally pre-wetting the expanded polymeric microspheres; and (iii) mixing the expanded polymeric microspheres with cement.
(71) Construction Research & Technology GmbH (DE)
