Carbonate CO2 scrubbing process II (ECO2) – Practical experience and technical optimisation
This article describes the practical experience and optimisation of the carbonate CO2scrubbing process at the Uniper coal-fired power station in Wilhelmshaven. It focusses on CO2 capture and the development of a buffering function. Since the CO2 scrubbing process can in principle be applied to almost all CO2 point sources, it can be used across industrial sectors and applications for climate protection and CO2 reduction.
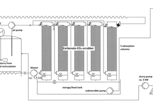
The flue gas scrubbing was researched as part of the AiF IGF research project (IGF No. 18560 N, [1]). The project includes the optimisation of CO2 removal from the flue gas with simultaneous formation of a mineralised water, which is to be used directly for water body remediation and buffering. In this process, the natural limestone-weathering cycle is mimicked and artificially accelerated within the mobile demonstration plant. The advantage of the process is the long-term conversion of limestone powder, water and CO2 into calcium bicarbonate in dissolved form, which can be used as a pH...
