Detection System for the Uniformity of Organic Fiber Dispersion in Cement-based Materials
(22) 12.05.2025
(43) 20.06.2025
(45) 25.06.2025
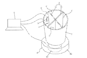
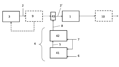
The present invention relates to a detection system for the uniformity of organic fiber dispersion in cement-based materials. It comprises a dispersion uniformity detection device, a temperature detection device, a heating device, and a control terminal. The dispersion uniformity detection device has a solution storage cavity and partition frames that divides it into multiple equal detection spaces. The control terminal controls the operation of the heating device based on temperature detection results of the solution. Thus, it facilitates users in adjusting the solution temperature to examine the fiber dispersion uniformity of organic fibers under varying temperature conditions.
