Cement manufacturing plant and method of operating a cement manufacturing plant
(22) 30.11.2022
(43) 23.01.2025
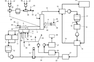
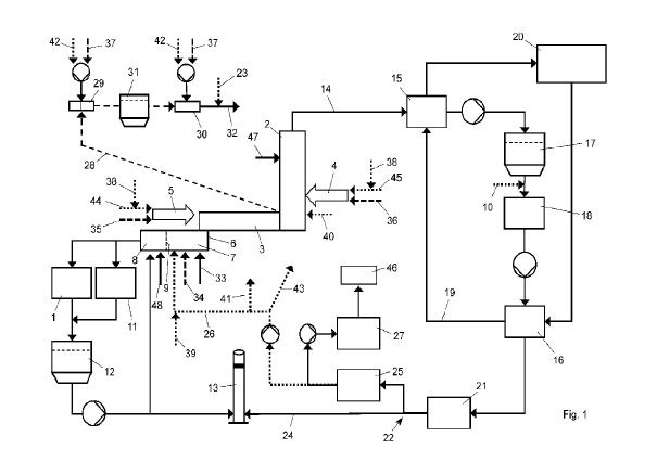
(57) A cement manufacturing plant includes a raw meal mill, at least one preheater string, a clinker fumace and a clinker cooler including a first section and a second section, wherein a preheater exhaust gas recirculation device is provided for recirculating exhaust gas leaving the at least one preheater string into the first section ofthe clinker cooler, and wherein the cement plant is configured for switching between an air operation mode and an oxyfuel operation mode, includes a first switching device for connecting either a source of air or a source of oxygen rich gas to a burning zone ofthe clinker furnace burner, and a second switching device for either establishing or separating a connection of the preheater exhaust gas recirculation means to the first section of the clinker cooler.
(71) Holcim Technology Ltd, Zug (Ch)
